鉅大鋰電 | 點擊量:0次 | 2018年05月13日
基于TP4056的鋰電池充電模塊電路怎么樣?
TP4056是一款完整的單節鋰離子電池采用恒定電流/恒定電壓線性充電器。其底部帶有散熱片的SOP8封裝與較少的外部元件數目使得TP4056成為便攜式應用的理想選擇。TP4056可以適合USB電源和適配器電源工作。
TP4056特點
高達1000mA的可編程充電電流無需MOSFET、檢測電阻器或隔離二極管用于單節鋰離子電池、采用SOP封裝的完整線性充電器恒定電流/恒定電壓操作,并具有可在無過熱危險的情況下實現充電速率最大化的熱調節功能
精度達到±1.5%的4.2V預設充電電壓
用于電池電量檢測的充電電流監控器輸出
自動再充電
充電狀態雙輸出、無電池和故障狀態顯示
C/10充電終止
待機模式下的供電電流為55uA
2.9V涓流充電器件版本軟啟動限制了浪涌電流
電池溫度監測功能采用8引腳SOP-PP封裝。
TP4056引腳及功能

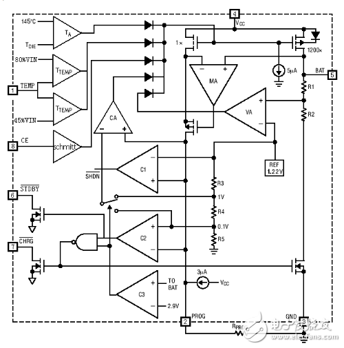
TEMP(引腳1:):電池溫度檢測輸入端電池溫度檢測輸入端電池溫度檢測輸入端。將TEMP管腳接到電池的NTC傳感器的輸出端。如果TEMP管腳的電壓小于輸入電壓的45%或者大于輸入電壓的80%,意味著電池溫度過低或過高,則充電被暫停。
如果TEMP直接接GND,電池溫度檢測功能取消,其他充電功能正常。
PROG(引腳2):恒流充電電流設置和充電電流監測端電流監測端。從PROG管腳連接一個外部電阻到地端可以對充電電流進行編程。在預充電階段,此管腳的電壓被調制在0.1V;在恒流充電階段,此管腳的電壓被固定在1V。在充電狀態的所有模式,測量該管腳的電壓都可以根據下面的公式來估算充電電流:

GND(引腳3:):電源地。
Vcc(引腳4):輸入電壓正輸入端輸入電壓正輸入端。。此管腳的電壓為內部電路的工作電源。當Vcc與BAT管腳的電壓差小于30mV時,TP4056將進入低功耗的停機模式,此時BAT管腳的電流小于2uA。
BAT(引腳5):電池連接端電池連接端電池連接端。將電池的正端連接到此管腳。在芯片被禁止工作或者睡眠模式,BAT管腳的漏電流小于2uA。BAT管腳向電池提供充電電流和4.2V的限制電壓。被內部開關拉到低電平,表示充電完成。
(引腳7)漏極開路輸出的充電狀態指示端指示端。當充電器向電池充電時,管腳處于高阻態。
CE(引腳8)芯片始能輸入端芯片始能輸入端。高輸入電平將使TP4056處于正常工作狀態;低輸入電平使TP4056處于被禁止充電狀態。CE管腳可以被TTL電平或者CMOS電平驅動。
TP4056方框圖

基于TP4056的鋰電池充電模塊電路

上一篇:鋰電池為什么會鼓包?
下一篇:鋰電池卷繞機主要組成部分是什么?










